CO2濃度的檢測方法大致分化學方法和物理方法。CO2濃度檢測方法有滴定法、熱催化法、氣敏法、電化學法,這些屬于化學方法,這些方法普遍存在價格貴,普適性差等問題,且測量精度較低。而物理的方法有超聲波法、氣相色譜法以及眾多借助于光學來實現檢測的方法。也有像光聲光譜法這種化學和物理結合的方法。吸收光譜法的依據是不同化學結構的氣體分子對不同波長的輻射的吸收程度不同,CO2氣體分子對特定波長的紅外光有強烈的吸收。
目前各種檢測用的CO2傳感器主要有固體電解質式、鈦酸鋇復合氧化物電容式、電導變化型厚膜式等,這些傳感器存在對氣體的選擇性差、易出現誤報、需要頻繁校準、使用壽命較短等不足。而紅外吸收型CO2傳感器具有測量范圍寬、靈敏度高、響應時間快、選擇性好、抗干擾能力強等特點。
1.傳感原理
紅外吸收型CO2氣體傳感器是基于氣體的吸收光譜隨物質的不同而存在差異的原理制成的。不同氣體分子化學結構不同,對不同波長的紅外輻射的吸收程度*不同,因此,不同波長的紅外輻射依次照射到樣品物質時,某些波長的輻射能被樣品物質選擇吸收而變弱,產生紅外吸收光譜,故當知道某種物質的紅外吸收光譜時,便能從中獲得該物質在紅外區的吸收峰。
同一種物質不同濃度時,在同一吸收峰位置有不同的吸收強度,吸收強度與濃度成正比關系。因此通過檢測氣體對光的波長和強度的影響,便可以確定氣體的濃度。
根據比爾朗伯定律,輸出光發光強度I、輸入光發光強度I0和氣體濃度c之間的關系為
I=I0exp(-αmLc) (1)
式中:αm為摩爾分子吸收系數;c為待測氣體濃度;L為光和氣體的作用長度(傳感長度)。對式(1)進行變換,得:
2.儀器設計框圖
前端傳感器輸出的數字信號,以串口方式與STM32進行通訊,此儀器設計三通道采集,利用繼電器電路對傳感器通道進行選擇,STM32將濃度值顯示在液晶屏上,液晶屏帶有觸摸功能,通過編寫液晶顯示界面,調用相關按鍵程序,選擇傳感器通道以及保存為U盤數據等功能。框圖如圖1所示。
圖1儀器設計框圖
3.傳感器選擇
選擇了DYNAMENT公司的premier二氧化碳傳感器,此傳感器運用非色散紅外原理檢測氣體,它包括長壽命鎢紅外光源、供擴散氣體進入的光通道、一對經溫度補償的紅外原理熱電交換檢測元件、半導體溫度傳感器和處理紅外熱電交換檢測器信號的電子電路,使用方便快捷,如圖2為二氧化碳傳感器外形封裝圖。
圖2二氧化碳傳感器外形封裝
4.硬件電路設計
本儀器設計3個通道的二氧化碳傳感器采集,通過3個繼電器來選擇傳感器的通斷。如圖3為繼電器控制電路。
圖3繼電器控制電路
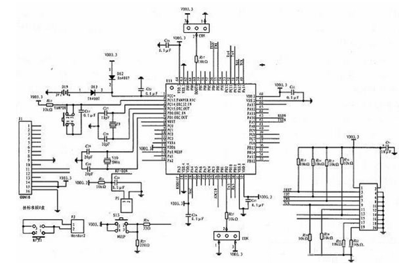
使用低功耗單片機STM32F103RE,內核為:ARM 32-bitCortex-M3 CPU,尺寸為:10mmx10 mm,帶有4個串口,在本儀器設計中,用到3個串口,一個與傳感器進行通訊,一個與液晶進行通訊,一個與USB存儲模塊通訊。如圖4為控制器*小系統。
STM32STM32
圖4 STM32STM32
選擇迪文科技有限公司的液晶,型號為DMT32240C035_02W,基本參數為:3.5英寸,M100內核,65K色串口液晶人機界面。此款液晶帶有觸摸功能,系統設計時,不用添加按鍵電路,只需編寫液晶按鍵程序*能實現按鍵功能,簡單的實現參數的設置,數據保存,檔位切換等功能。
5.軟件設計
儀器開機后進入液晶程序界面,選擇傳感器通道,進入數據采集程序,將當前二氧化碳濃度值顯示于液晶屏上,點擊液晶顯示界面上的保存按鈕,保存當前時間的二氧化碳濃度值。儀器軟件總體設計流程如圖5所示。
圖5軟件流程圖
6.室內實驗
利用組裝的便攜式二氧化碳監測儀進行了室內的測試實驗,如表1為3個通道對同一環境下,二氧化碳濃度的測試數據,每個通道測試10次。從測試數據上看每個通道測試數據較為穩定。且與空氣中二氧化碳碳理論在濃度值接近。
7.總結
該儀器的開發主要是為二氧化碳儲存項目服務,對二氧化碳泄露進行監測,針對泄露的二氧化碳濃度值范圍不定的情況,儀器設計了三個通道,并通過實驗測試了三個通道數據采集情況,測試結果說明,儀器運行正常。